
該類型止回閥用于不銹鋼管道系統內,以達到防止流體回流的目的。
止回閥是指依靠介質本身流動而自動開、閉閥瓣的一類閥門,當閥桿下部的壓力超過閥桿上面的
壓力以及彈簧力時,止回閥閥瓣就會開啟;當閥桿上下壓力平衡時,止回閥就會關閉,從而達到
介質在管道的單向流動,阻止液體的倒流,防止事故發生。
有各種標準的止回閥系列可向客戶提供,即用于DIN標準系列,3A標準系列,SMS標準系列,ISO/IDF標準系列,
BS/RJT標準系列,ASME /BPE 等標準系列。
止回閥的閥體分為兩個部分,通過卡箍組裝在一起,并用一種特殊密封圈進行密封。一個導向圓片和四個導向
桿用來引導彈簧,并配有O型密封圈的閥芯。該類止回閥系列具有焊接式,卡箍式與外螺紋式連接端口,可適
配各種管道連接。

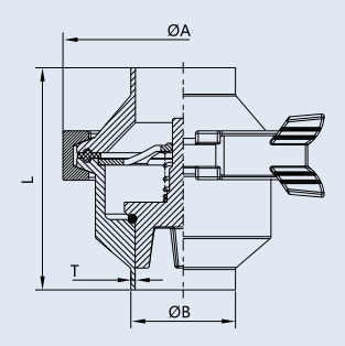
| SIZE | A | B | L | T |
| DN15 | 62.5 | 19.0 | 75.0 | 1.5 |
| DN20 | 62.5 | 23.0 | 75.0 | 1.5 |
| DN25 | 77.5 | 29.0 | 78.0 | 1.5 |
| DN32 | 77.5 | 35.0 | 78.0 | 1.5 |
| DN40 | 89.0 | 41.0 | 80.5 | 1.5 |
| DN50 | 105.0 | 53.0 | 86.0 | 1.5 |
| DN65 | 134.0 | 70.0 | 97.0 | 2.0 |
| DN80 | 145.0 | 85.0 | 105.0 | 2.0 |
| DN100 | 158.5 | 104.0 | 105.0 | 2.0 |